General Rotary Tech Support Use this forum for tech questions not specific to a certain model year
Sponsored by:
Sponsored by: CARiD

How does oil get back to the sump?...

Thread Tools
 
Search this Thread
 
Old Apr 11, 2023 | 11:52 PM
  #1  
Valkyrie's Avatar
Thread Starter
Lives on the Forum
Tenured Member: 20 Years
Liked
Loved
Community Favorite
 
Joined: Oct 2004
Posts: 5,150
Likes: 167
From: Japanabama
How does oil get back to the sump?...

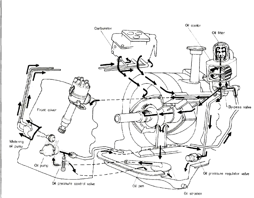
I was just looking at an oiling system diagram and realized I hadn't ever really thought about how the oiling system actually works, or how oil gets back to the sump.

I am correct in thinking that oil gets pushed from both sides of the e-shaft, through the rotors, and then just falls through a hole in the bottom of the center housing?
Reply
Old Apr 12, 2023 | 01:45 AM
  #2  
neit_jnf's Avatar
Eats, Sleeps, Dreams Rotary
Tenured Member: 20 Years
iTrader: (17)
 
Joined: Apr 2003
Posts: 4,057
Likes: 262
From: Around
pump -> oil coolers -> filter
from the filter it branches three ways, to the rear regulator which dumps excess to the sump, to the front bearing/ turbo oil feed on the front plate/omp feed and front regulator, oil here dumps from the front regulator and the omp feed.
what I don't know is the eccentric shaft oil to the rotors and rotor and stat bearings... how does it get to the sump?
Reply
Old Apr 12, 2023 | 04:07 AM
  #3  
Valkyrie's Avatar
Thread Starter
Lives on the Forum
Tenured Member: 20 Years
Liked
Loved
Community Favorite
 
Joined: Oct 2004
Posts: 5,150
Likes: 167
From: Japanabama
Originally Posted by neit_jnf
pump -> oil coolers -> filter
from the filter it branches three ways, to the rear regulator which dumps excess to the sump, to the front bearing/ turbo oil feed on the front plate/omp feed and front regulator, oil here dumps from the front regulator and the omp feed.
what I don't know is the eccentric shaft oil to the rotors and rotor and stat bearings... how does it get to the sump?

it also branches at the oil cooler and the lower oil passages, since the oil coolers only work when the thermostat lets them.

The diagram has an arrow that points down from the middle of the engine, but I haven’t taken a close look at the bottom of a rotary block in a long time.

Front regulator? Do you mean the thermal pellet? It’s not really a pressure regulator.
Reply
Old Apr 12, 2023 | 09:12 AM
  #4  
j9fd3s's Avatar
Moderator
Community Builder
Liked
Loved
Community Favorite
iTrader: (3)
 
Joined: Mar 2001
Posts: 31,835
Likes: 3,232
From: https://www2.mazda.com/en/100th/
Originally Posted by Valkyrie
and then just falls through a hole in the bottom of the center housing?
essentially yes. the front cover stuff gets oiled how it gets oiled, and that can fall into the sump in the front.
lastly there is a drain from the rear main bearing also, more like a slide. you can see the feed top left from the oil filter, and the drain is bottom right
you can also see this D casting, late FC iron was on the 80's diet


here is a 79ish housing just for fun, drain is still there.





Reply
Old Apr 12, 2023 | 02:32 PM
  #5  
neit_jnf's Avatar
Eats, Sleeps, Dreams Rotary
Tenured Member: 20 Years
iTrader: (17)
 
Joined: Apr 2003
Posts: 4,057
Likes: 262
From: Around
The oil cooler thermostat is a bypass, when cold the oil still goes to the filter but bypasses the coolers.

Also, there's a front pressure regulator in the front cover.
Reply
Old Apr 12, 2023 | 03:58 PM
  #6  
Valkyrie's Avatar
Thread Starter
Lives on the Forum
Tenured Member: 20 Years
Liked
Loved
Community Favorite
 
Joined: Oct 2004
Posts: 5,150
Likes: 167
From: Japanabama
Originally Posted by j9fd3s
essentially yes. the front cover stuff gets oiled how it gets oiled, and that can fall into the sump in the front.
lastly there is a drain from the rear main bearing also, more like a slide. you can see the feed top left from the oil filter, and the drain is bottom right
you can also see this D casting, late FC iron was on the 80's diet


here is a 79ish housing just for fun, drain is still there.

This also explains how rotaries can have blowby…
Reply
Old Apr 12, 2023 | 03:59 PM
  #7  
Valkyrie's Avatar
Thread Starter
Lives on the Forum
Tenured Member: 20 Years
Liked
Loved
Community Favorite
 
Joined: Oct 2004
Posts: 5,150
Likes: 167
From: Japanabama
Originally Posted by neit_jnf
The oil cooler thermostat is a bypass, when cold the oil still goes to the filter but bypasses the coolers.

Also, there's a front pressure regulator in the front cover.
Indeed. I found it after looking at the diagram again…
Reply
Old Apr 12, 2023 | 08:00 PM
  #8  
TeamRX8's Avatar
10000 RPM Lane
Tenured Member: 15 Years
iTrader: (2)
 
Joined: Oct 2006
Posts: 2,741
Likes: 924
From: on the rev limiter
through the center of the intermediate housing

on REW center iron pic further below the oil discharges to the sump on the side opposite of the filler/blowby vent passage, not directly out the middle as in this diagram.



.


You can see the internal passage cast like a pipe elbow passing through the water jackets between the two flow path arrows

from the front cover area too where the front iron center passage drains out just above the oil pump, though not shown. Front stack bearing and oil pump drive chain/gears require lubrication as well, etc.


.

Rear iron is in transit so I can’t verify on it yet, likely same/similar to the other rear iron pic that’s posted.

with a dry sump setup you can eliminate/block the internal regulators and passages (solid dowel and/or plugs), with high pressure oil going directly to the main galleys/eshaft bearings, using an external adjustable regulator that bypasses directly back to the sump tank, and then the dry sump only scavenging the other minimal oil volume is dropping onto the sump plate.

rarely see it discussed though
.

Last edited by TeamRX8; Apr 12, 2023 at 08:44 PM.
Reply
Old Apr 12, 2023 | 08:06 PM
  #9  
Valkyrie's Avatar
Thread Starter
Lives on the Forum
Tenured Member: 20 Years
Liked
Loved
Community Favorite
 
Joined: Oct 2004
Posts: 5,150
Likes: 167
From: Japanabama
Originally Posted by TeamRX8
it’s through the center of the intermediate housing

on REW center iron pic further below the oil discharges to the sump on the side opposite of the filler/blowby vent passage, not directly out the middle as in this diagram



.


You can see the internal passage cast like a pipe elbow passing through the water jackets between the two flow path arrows


with a dry sump setup you can eliminate/block the internal regulators and passages (solid dowel and/or plugs), with high pressure oil going directly to the main galleys/eshaft bearings, using an external adjustable regulator that bypasses directly back to the sump tank, and then the dry sump only scavenging the other minimal oil volume is dropping onto the sump plate.
Neat!

What exactly is the benefit of a dry sump on a rotary engine? The rotary is already incredibly low and very light, so I can't see it as a handling thing.
Maybe just a packaging issue for an open wheel car or prototype...
Or is it just a block strength thing with the solid dowels?


Edit: Also, I am just now learning that dry sumps are actually more like damp sumps. Haha. This actually helps illustrate how oiling systems works.

Oh yeah, I forgot about oil sloshing due to lateral gs...

Last edited by Valkyrie; Apr 12, 2023 at 08:26 PM.
Reply
Old Apr 12, 2023 | 08:45 PM
  #10  
TeamRX8's Avatar
10000 RPM Lane
Tenured Member: 15 Years
iTrader: (2)
 
Joined: Oct 2006
Posts: 2,741
Likes: 924
From: on the rev limiter
both lower and further rearward for a competition application.
.
Reply
Related Topics
Thread
Thread Starter
Forum
Replies
Last Post
existanzrx7
3rd Generation Specific (1993-2002)
6
Mar 15, 2009 02:49 PM
warp0007
2nd Generation Specific (1986-1992)
6
Apr 23, 2005 08:46 PM
TonyTurboII
2nd Generation Specific (1986-1992)
31
Jun 27, 2003 06:41 PM
abarlas
2nd Generation Specific (1986-1992)
22
May 5, 2003 11:57 PM
RX7FAN
3rd Generation Specific (1993-2002)
1
Jul 3, 2002 11:40 AM




All times are GMT -5. The time now is 12:34 PM.