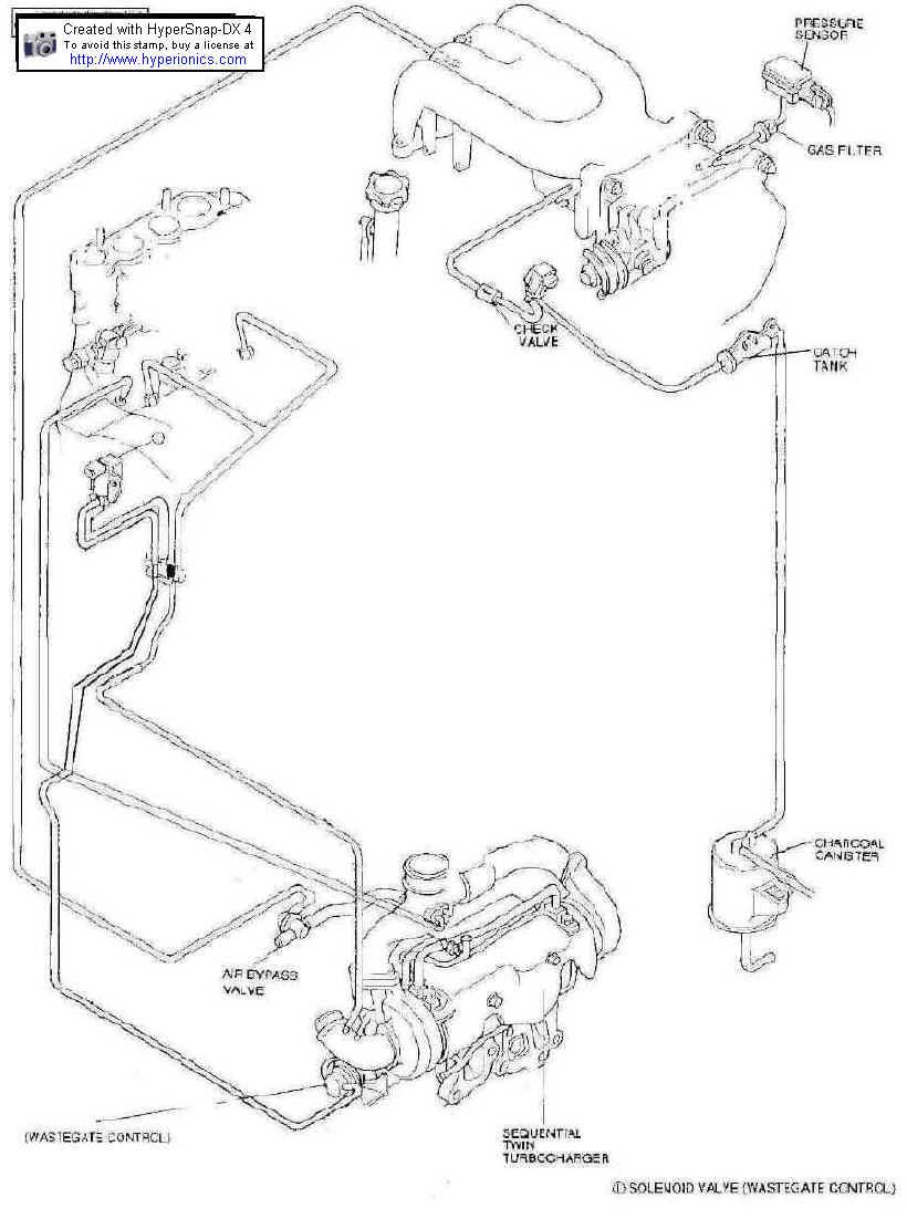
NON-SEQ Vacuum Hose Diagram Rikki-Style
Passenger
Posts: n/a
Well guys here it is. It's a little crude but it gets the job done.
*Remember any nipple left open should get a vacuum cap.
So have fun and thank you for all the support you guys give me. Here is a little something back.
Maybe a Sticky on this one. For my sanity....
*Remember any nipple left open should get a vacuum cap.
So have fun and thank you for all the support you guys give me. Here is a little something back.
Maybe a Sticky on this one. For my sanity....
hey does this replace all vacum hoses inthe system? Any block off plates etc? Any chance of some kinda write up to go with the diagram
Last edited by blackscorpio; Aug 27, 2002 at 07:28 PM.
Passenger
Posts: n/a
Originally posted by blackscorpio
hey does this replace all vacum hoses inthe system? Any block off plates etc? Any chance of some kinda write up to go with the diagram
hey does this replace all vacum hoses inthe system? Any block off plates etc? Any chance of some kinda write up to go with the diagram
-Rikki
So Rikki, the ONLY hoses I need to run the turbos non-seq are in the diagram?? cap EVERYTHING else off?? Once I get access to a lift I am going to remove the TCA and give the non-seq a go. Thanks,
Steve
Steve
Trending Topics
Im doin either a simplification or this in about a week or 2. If you can do a understandable write up, and Have CHECKED the digrams to make sure its all correct, Ill be a Rikki geuni pig. Would have results by mid to late september. Dont expect me to put a PFS logo up though
1JZ powered
Joined: Jul 2001
Posts: 4,423
Likes: 0
From: Where there's only two seasons, hot and wet! I love Okinawa
Good diagram Ryan! I didn't connect up the check valve however. If you have a PFC, you can just unplug it and leave it off completely. I just capped it and disconnected all that crap.
I'll be using the line that goes back to the charcoal canister and rerouting it as my return line when I go dual fuel pumps.
I'll be using the line that goes back to the charcoal canister and rerouting it as my return line when I go dual fuel pumps.
What would be the advantages/disadvantages of this mod?
My friend tells me there would be more power options, better heat dissapation, but would slightly increase turbo lag and a loss in throttle response.
Let us know the outcome!
THanks.
Dan.
My friend tells me there would be more power options, better heat dissapation, but would slightly increase turbo lag and a loss in throttle response.
Let us know the outcome!
THanks.
Dan.
Passenger
Posts: n/a
Guys, This is a setup that I have been running for a while now. I also did 93R1 car the same way. He loves the new and simple setup. I ran my 11.9 on this set-up. Not that by doing this you will but I beleive that NON-SEQ is the only way to go especially if you plan on going single turbo one day.
The only difference is that I do not use the soenoid to control boost now I have a manual boost controller so I delte those lines and it is even less hose
.
Enjoy and I know this works trust me.
-Rikki
The only difference is that I do not use the soenoid to control boost now I have a manual boost controller so I delte those lines and it is even less hose
.Enjoy and I know this works trust me.
-Rikki
Ok I still have stock rubber under my hood, dunno If I can call it rubber in good concience anymore, but im going to have to get some all new silicone
. So 10 ft should be good for the entire job?
. So 10 ft should be good for the entire job?
ryan, thanks for all your help. would've called you last night but decided to go out. just one more question. capped all four vacuum lines underneath the solenoids and left them unconnected. so where does the manual boost controller go? right now i have it b/t the bottom of y-pipe and wastegate actuator. is this right? thanks again for everything, i appreciate you taking time out to help us. nick
i should have pics to back up this diagram in the next few days... as soon as my camera comes in.. I have been running non seq for about 6 months now.. with an auto tranny. I left all the solenoids and hoses in though. Now that i know i won't be going back im just gonna rip it all out!
Originally posted by blackscorpio
IS 10 FT ENUF ??
IS 10 FT ENUF ??
Steve




