cooling fans not working?
cooling fans not working?
my cooling fans are not working ive tried turning on the a/c and the lights so i checked the fuse that says cooling fans and that was good but when i put my cirsuit tester on the wires to the fans theres nothing ! shouldnt 1 of the wires be hot all the time? is there another fuse or relay im missing?
Joe,
The relays are on the passenger side of the engine bay. There are 4 little black rubber box looking things, i included a pic. One is for the thermoswitch, and the other 3 are for controlling the fans speed. They can go bad, I had the same problem back around rotorfest last year and ended up replacing all 3 of them. It was like $80 for 3, or if you can figure out if only one is bad then you can just relace the one. If you have a shop manual it will tell you which ones are which. Also check the ground wires for the fans. Mine were not grounded properly causing problems as well.
-Austin
The relays are on the passenger side of the engine bay. There are 4 little black rubber box looking things, i included a pic. One is for the thermoswitch, and the other 3 are for controlling the fans speed. They can go bad, I had the same problem back around rotorfest last year and ended up replacing all 3 of them. It was like $80 for 3, or if you can figure out if only one is bad then you can just relace the one. If you have a shop manual it will tell you which ones are which. Also check the ground wires for the fans. Mine were not grounded properly causing problems as well.
-Austin
1wide7,
I have attached a copy of page Z-116 of my 1994 RX-7 Workshop Manual. It is both an illustration of, and a guide to, the Data Link Connector under the hood. The terminal locations are shown in the lower portion of the page, and their functions in the upper portion.
You will note a "TFA" terminal in the bottom row, just to the right of a "GND" (ground) terminal. If your car has had the fuel system recall, and you jumper the TFA terminal to that GND terminal, both your fans should run. If your car has NOT had the recall performed, you need to turn the ignition switch to the ON position and then jumper TFA to GND. If that procedure runs your fans, then you have proved that Coolant Fan Relays Nos. 2 and 4, the fan motors, and the 60A cooling fan fuse are all good.
The above test has NOT proved that either Cooling Fan Relay No. 3, or the Water Thermoswitch, is OK. The Water Thermoswitch activates Relay No. 3. That happens when coolant temperature is between 101°C (214°F) and 108°C (236°F). You can test the Coolant Relay No. 3 by disconnecting the electrical connector to the Water Thermoswitch and touching the cable harness connector terminal to a chassis ground point. If the fans run, the Relay No. 3 is good. If not, there is a wiring problem between the connector and the Relay No.3, or the relay itself is bad. If the fans run for this test and all the other tests, but do not run when the engine is hot, the Water Thermoswitch is bad.
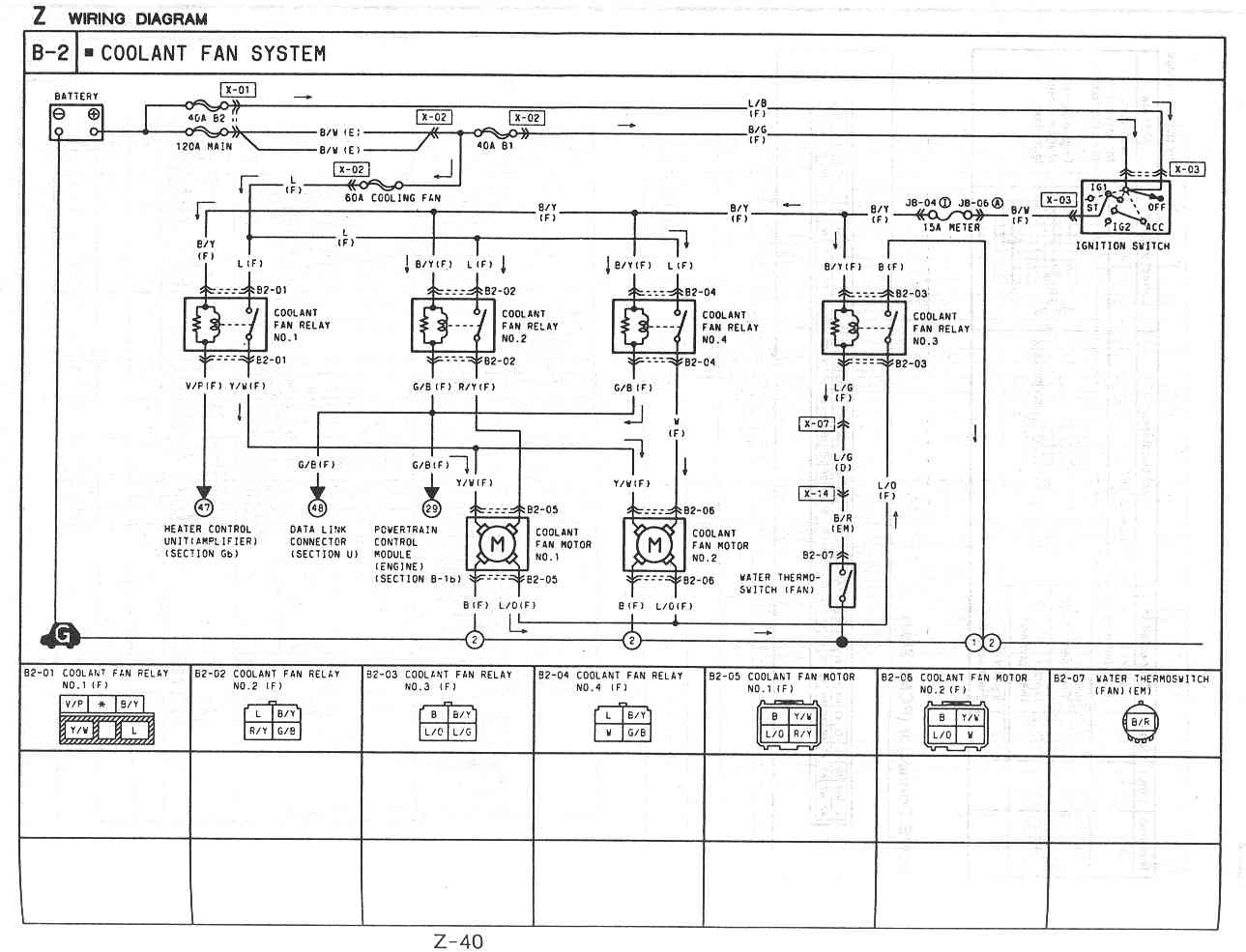
I have also attached a copy of page Z-40, which is the wiring diagram of the coolant fan system, FYI.
I have attached a copy of page Z-116 of my 1994 RX-7 Workshop Manual. It is both an illustration of, and a guide to, the Data Link Connector under the hood. The terminal locations are shown in the lower portion of the page, and their functions in the upper portion.
You will note a "TFA" terminal in the bottom row, just to the right of a "GND" (ground) terminal. If your car has had the fuel system recall, and you jumper the TFA terminal to that GND terminal, both your fans should run. If your car has NOT had the recall performed, you need to turn the ignition switch to the ON position and then jumper TFA to GND. If that procedure runs your fans, then you have proved that Coolant Fan Relays Nos. 2 and 4, the fan motors, and the 60A cooling fan fuse are all good.
The above test has NOT proved that either Cooling Fan Relay No. 3, or the Water Thermoswitch, is OK. The Water Thermoswitch activates Relay No. 3. That happens when coolant temperature is between 101°C (214°F) and 108°C (236°F). You can test the Coolant Relay No. 3 by disconnecting the electrical connector to the Water Thermoswitch and touching the cable harness connector terminal to a chassis ground point. If the fans run, the Relay No. 3 is good. If not, there is a wiring problem between the connector and the Relay No.3, or the relay itself is bad. If the fans run for this test and all the other tests, but do not run when the engine is hot, the Water Thermoswitch is bad.
I have also attached a copy of page Z-40, which is the wiring diagram of the coolant fan system, FYI.
Last edited by wstrohm; May 14, 2006 at 01:36 PM.
You can either get a factory one from the dealer, or learn more about relays and wire up an aftermarket relay.
http://electronics.howstuffworks.com/relay.htm
http://en.wikipedia.org/wiki/Relay
A standard automotive relay should work, be sure it's rated for at least 15A.
http://electronics.howstuffworks.com/relay.htm
http://en.wikipedia.org/wiki/Relay
A standard automotive relay should work, be sure it's rated for at least 15A.
Trending Topics
same problem (my own doing)
Originally Posted by wstrohm
You can test the Coolant Relay No. 3 by disconnecting the electrical connector to the Water Thermoswitch and touching the cable harness connector terminal to a chassis ground point. If the fans run, the Relay No. 3 is good. If not, there is a wiring problem between the connector and the Relay No.3, or the relay itself is bad. If the fans run for this test and all the other tests, but do not run when the engine is hot, the Water Thermoswitch is bad.
Dan
'95 R2 (wiring definitely not the same as the '94 diagrams)

Remove the metal bracket that holds the relays on, and look at the bottom of each relay. You should be able to stick a wire into the connectors without removing them. Unless your car was modified by the previous owner, the relays are all in the same place and should use the same color wires. The wire you're looking for will be blue with a green stripe. There are two wire thicknesses used for the relays: big (14-16 AWG) and small (16-20 AWG), the blue/green wire that connects Relay 3 to the thermoswitch should be small (16-20AWG).
-s-
How are they numbered?
Originally Posted by scotty305
Remove the metal bracket that holds the relays on, and look at the bottom of each relay. You should be able to stick a wire into the connectors without removing them. Unless your car was modified by the previous owner, the relays are all in the same place and should use the same color wires. The wire you're looking for will be blue with a green stripe. There are two wire thicknesses used for the relays: big (14-16 AWG) and small (16-20 AWG), the blue/green wire that connects Relay 3 to the thermoswitch should be small (16-20AWG).
-s-
-s-
As an aside, my car is unmodified (except by me) '95 R2.. ..how are the relays numbered? The wiring diagram uses a different numbering scheme than the '93 "fanmod" so popular (voodoo, etc). Mine are not connected as shown in the '94 wiring diagram.
Dan
[i have a FSM but the '95 wiring is on order]
Last edited by dhcernese; Sep 11, 2006 at 11:16 AM. Reason: remove img
Dan,
If at least the thermoswitch wiring is the same as shown in my post #3 schematic, you could disconnect the X-14 connector under the dash on the passenger side of the cabin and ground the blue wire with green stripe of X-14. That would bypass the Water Thermoswitch, grounding the "cold" end of the coolant fan relay #3.
If your '95 has the factory Cooling Fan Mod already built in, as shown in my post #4, then supposedly the "Check Connector" (I presume this is the Diagnostic Connector) has a test point "A" to which the high side of the Water Thermoswitch is connected. I have no idea where that added terminal is in the Diagnostic Connector, since nowhere in my manual is a terminal "A" shown. As you can see in my post #3, the Diagnostic Connector pinouts only show the "TFA" terminal having the green/blue wire to test relays 2 and 4, with no indication of any test for the Water Thermoswitch. Maybe the 1995 manual tells you where the WT test terminal is. Good luck!
If at least the thermoswitch wiring is the same as shown in my post #3 schematic, you could disconnect the X-14 connector under the dash on the passenger side of the cabin and ground the blue wire with green stripe of X-14. That would bypass the Water Thermoswitch, grounding the "cold" end of the coolant fan relay #3.
If your '95 has the factory Cooling Fan Mod already built in, as shown in my post #4, then supposedly the "Check Connector" (I presume this is the Diagnostic Connector) has a test point "A" to which the high side of the Water Thermoswitch is connected. I have no idea where that added terminal is in the Diagnostic Connector, since nowhere in my manual is a terminal "A" shown. As you can see in my post #3, the Diagnostic Connector pinouts only show the "TFA" terminal having the green/blue wire to test relays 2 and 4, with no indication of any test for the Water Thermoswitch. Maybe the 1995 manual tells you where the WT test terminal is. Good luck!
Originally Posted by wstrohm
Dan,
If at least the thermoswitch wiring is the same as shown in my post #3 schematic, you could disconnect the X-14 connector under the dash on the passenger side of the cabin and ground the blue wire with green stripe of X-14. That would bypass the Water Thermoswitch, grounding the "cold" end of the coolant fan relay #3.
If your '95 has the factory Cooling Fan Mod already built in, as shown in my post #4, then supposedly the "Check Connector" (I presume this is the Diagnostic Connector) has a test point "A" to which the high side of the Water Thermoswitch is connected. I have no idea where that added terminal is in the Diagnostic Connector, since nowhere in my manual is a terminal "A" shown. As you can see in my post #3, the Diagnostic Connector pinouts only show the "TFA" terminal having the green/blue wire to test relays 2 and 4, with no indication of any test for the Water Thermoswitch. Maybe the 1995 manual tells you where the WT test terminal is. Good luck!
If at least the thermoswitch wiring is the same as shown in my post #3 schematic, you could disconnect the X-14 connector under the dash on the passenger side of the cabin and ground the blue wire with green stripe of X-14. That would bypass the Water Thermoswitch, grounding the "cold" end of the coolant fan relay #3.
If your '95 has the factory Cooling Fan Mod already built in, as shown in my post #4, then supposedly the "Check Connector" (I presume this is the Diagnostic Connector) has a test point "A" to which the high side of the Water Thermoswitch is connected. I have no idea where that added terminal is in the Diagnostic Connector, since nowhere in my manual is a terminal "A" shown. As you can see in my post #3, the Diagnostic Connector pinouts only show the "TFA" terminal having the green/blue wire to test relays 2 and 4, with no indication of any test for the Water Thermoswitch. Maybe the 1995 manual tells you where the WT test terminal is. Good luck!
Last edited by dhcernese; Oct 9, 2006 at 11:20 AM. Reason: typo
On suspicion of my fans not working, I went through some steps today.
1. Jumping TFA and GND caused the fan to run with the car off. (relays 2, 4 work)
2. Grounding relay 3 (Blue/Green) wire to chassis increased fan speed when TFA and GND were jumped with the car off. (relay 3 works)
3. Grounding relay 1 (Violet/Pink) energized the fans when the ignition was in ACC only (relay 1 works)
4. Only the passenger side fan was active, I could not get the driver side fan to move
5. The light on my A/C button inside does not illuminate, and my A/C has never really worked
5A. I did not have continuity on any terminals on the A/C relay - I suspect the relay is shot. I should have continuity on the coil in that relay, right?
6. All related fuses, with the exception of having some visible corrosion, tested positive for continuity.
After this, I think I need:
A. A new A/C relay
B. Something re: the driver side fan (i.e. new fan, new fan motor (is that possible?), or to check the driver side fan connections.
Has anyone ever had 1 fan work and the other not? What was the problem? I am planning to take my car down for major maintenance items in 3 weeks, and prefer not to disassemble the front-top half of the engine bay today. What fan parts are available to buy so I can be prepared for when I do get down to the radiator in 3 weeks?
Thanks
1. Jumping TFA and GND caused the fan to run with the car off. (relays 2, 4 work)
2. Grounding relay 3 (Blue/Green) wire to chassis increased fan speed when TFA and GND were jumped with the car off. (relay 3 works)
3. Grounding relay 1 (Violet/Pink) energized the fans when the ignition was in ACC only (relay 1 works)
4. Only the passenger side fan was active, I could not get the driver side fan to move
5. The light on my A/C button inside does not illuminate, and my A/C has never really worked
5A. I did not have continuity on any terminals on the A/C relay - I suspect the relay is shot. I should have continuity on the coil in that relay, right?
6. All related fuses, with the exception of having some visible corrosion, tested positive for continuity.
After this, I think I need:
A. A new A/C relay
B. Something re: the driver side fan (i.e. new fan, new fan motor (is that possible?), or to check the driver side fan connections.
Has anyone ever had 1 fan work and the other not? What was the problem? I am planning to take my car down for major maintenance items in 3 weeks, and prefer not to disassemble the front-top half of the engine bay today. What fan parts are available to buy so I can be prepared for when I do get down to the radiator in 3 weeks?
Thanks
Most likely that fan motor is bad. Seems like the driver side goes bad more often since it gets battery acid/rust on it and the motor is killed.
I would also check that the fan blade can spin freely and isn't jammed up.
You can search on this, you can use the RX-8 fan motors I believe. Or just get a good used motor, they typically aren't that hard to find.
Not sure on the AC relay, you can always pull the relay and jumper it to bypass it (as if it's on) to test.
Dale
I would also check that the fan blade can spin freely and isn't jammed up.
You can search on this, you can use the RX-8 fan motors I believe. Or just get a good used motor, they typically aren't that hard to find.
Not sure on the AC relay, you can always pull the relay and jumper it to bypass it (as if it's on) to test.
Dale
Thanks Dale.
My car is from the east coast and has more corrosion than I am used to in my region. I will get on the lookout for a replacement motor.
I had trouble seeing what color wires go into the car-side terminals in the relay block so I was hesitant to start jumping connections there, since I don't know which is the coil and which is the switch.
My car is from the east coast and has more corrosion than I am used to in my region. I will get on the lookout for a replacement motor.
I had trouble seeing what color wires go into the car-side terminals in the relay block so I was hesitant to start jumping connections there, since I don't know which is the coil and which is the switch.
^ I believe series 2 RX8 fan motors are what you want. I'm sure you could make the S1 fan motors work, but they aren't as plug and play.
S2 motors should just require you to swap the electrical connectors, but it's the same wiring as the FD fans.
S2 motors should just require you to swap the electrical connectors, but it's the same wiring as the FD fans.
By swaping the electrical connectors, you mean cutting the wires on the RX8 motor and splicing them to the connector wires on my car? Or is the S2 plug and play?
The connectors on the S2 fans are different than the connectors on the FD harness, but the actual wires match the FD fan motor wires.
You'd have a few options:
1. Probably the easiest, de-pin your FD fan motors electrical connector, and use that connector on the S2 fan motor.
2. Find the S2 harness side connectors at a junkyard, de-pin your FDs harness side connectors, and swap the S2 connectors in
3. De-pin both the S2 fan motors, and your wiring harness and update them both to any good 4 pin connectors.
If you haven't de-pinned an electrical connector before, there are lots of videos and tutorials on how to do it. I'd buy a set of tiny screwdrivers, or a wire de-pinning tool set to make it easier. It's less of a hassle (at least to me) than cutting and splicing.
You'd have a few options:
1. Probably the easiest, de-pin your FD fan motors electrical connector, and use that connector on the S2 fan motor.
2. Find the S2 harness side connectors at a junkyard, de-pin your FDs harness side connectors, and swap the S2 connectors in
3. De-pin both the S2 fan motors, and your wiring harness and update them both to any good 4 pin connectors.
If you haven't de-pinned an electrical connector before, there are lots of videos and tutorials on how to do it. I'd buy a set of tiny screwdrivers, or a wire de-pinning tool set to make it easier. It's less of a hassle (at least to me) than cutting and splicing.
Mike
^Regarding fan blade location, what's the purpose of either orientation? The circumference of the shroud openings are the same it appears. I've been considering going w 2x one type (weighing overall flow output vs noise reduction) vs simply leaving it stock (5 & 7 blades, respectively; '99 spec/RX8).
I'm certain Mazda did it the stock way for a reason. Just been wondering myself though.
I'm certain Mazda did it the stock way for a reason. Just been wondering myself though.
I think the fans are different blade counts and blade design to minimize noise. If you've been around a car with a cheap aftermarket fan that is CRAZY loud you will know why.
Dale
Dale
Fan noise minimization is generally accomplished by using uneven blade angular spacing - similar to the uneven tread block spacing/width on tires. Even spacing often generates a (usually) loud harmonic.
Last edited by DaveW; Jun 11, 2019 at 10:33 AM.
Thread
Thread Starter
Forum
Replies
Last Post
streetlegal?
New Member RX-7 Technical
13
Mar 17, 2022 02:46 PM
immanuel__7
2nd Generation Specific (1986-1992)
89
Sep 5, 2015 10:23 AM







