I've solves the 2nd Gen sticky starter mystery
Joined: May 2006
Posts: 3,881
Likes: 3
From: Jacksonville, Tampa & Tallahassee
So, putting a multimeter on the plug to the blower motor reveals 3 wires w/ voltage when the key is "on":
Thick Blue: 12v
B/Y : 12v
Thick R/Y : 4.Xv
With key to acc:
Thick blue : 12v
B/Y : 0v
R/Y: 0.2v
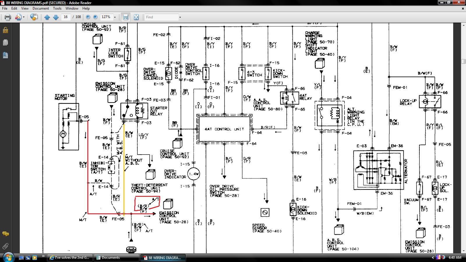
This leads me to believe that the problem is most likely this R/Y wire. Not quite sure what each is for, guess I'll try to find a wiring diagram....
Thick Blue: 12v
B/Y : 12v
Thick R/Y : 4.Xv
With key to acc:
Thick blue : 12v
B/Y : 0v
R/Y: 0.2v
This leads me to believe that the problem is most likely this R/Y wire. Not quite sure what each is for, guess I'll try to find a wiring diagram....
Blue wire= constant voltage from a battery buss fuse.
Black/Yellow wire= voltage w/key to on from Meter fuse.
Red/Yellow wire from A/C Main Relay Coil. This wire also connects to the Heater Relay and Ex-Hi Relay.
Black/Yellow wire= voltage w/key to on from Meter fuse.
Red/Yellow wire from A/C Main Relay Coil. This wire also connects to the Heater Relay and Ex-Hi Relay.
Joined: May 2006
Posts: 3,881
Likes: 3
From: Jacksonville, Tampa & Tallahassee
L ooking at the diagram something doesn't quite add up. It looks like the B/G wire connects to the IG relay coil in the blower motor, opposite the B/Y wire. Only there is no B/G wire on the blower motor side of the plug. The wire that plugs into the B/G write on the motor side of the plug is L/Y, which according to the diagram comes from the air mix motor and connects to Ex-Hi relay coil?
Based on the diagram it seems I should disconnect the B/G wire on the blower side (only ther is no b/g on the blower side of the plug), and all that would do is allow the blower motor to run while the car is cranking. However looking at the actual plug, it seems like disconnecting the L/Y wire(because it is opposite the b/g wire) would sever the connection to B/G and thus fix the problem.
Joined: May 2006
Posts: 3,881
Likes: 3
From: Jacksonville, Tampa & Tallahassee
SOLVED!!!
Indeed you are correct, sometimes you just have to mess w/ **** and figure it out.
I de-pined the L/Y wire on the blower side of the plug and reconnected the plug, the phantom 5v disappeared. However the blower motor would not function (it looks like it was seeing that 5v as a ground after all). I then grounded the L/Y wire to a bolt behind the kick panel and volia'! Starts every time, blower motor works, no more phantom 5v, and no hunting for wire splices.
I turned the blower to full speed and started it up just to test, no problems whatsoever. Looks like we've found yet another ill conceived unnecessary system that causes more problems than it solves. On a side note, this system is not present in the convertible (and I would assume other n/a models as well ).
Thanks satch & Hailers for helping assassinate yet another FC electrical gremlin.
I de-pined the L/Y wire on the blower side of the plug and reconnected the plug, the phantom 5v disappeared. However the blower motor would not function (it looks like it was seeing that 5v as a ground after all). I then grounded the L/Y wire to a bolt behind the kick panel and volia'! Starts every time, blower motor works, no more phantom 5v, and no hunting for wire splices.
I turned the blower to full speed and started it up just to test, no problems whatsoever. Looks like we've found yet another ill conceived unnecessary system that causes more problems than it solves. On a side note, this system is not present in the convertible (and I would assume other n/a models as well ).
Thanks satch & Hailers for helping assassinate yet another FC electrical gremlin.
The way the heater blower gets cut off during Start is just the opposite of the way I thought it worked. That was post number 108 I think.
IF the starter is not being turned over, then there is a ground on that B/R wire to the blower motor. Comes off the starter solenoids coil itself when it has no power going to it.
But if you go to Start, then you put 12v approx on that wire to the blower. Since the power on that wire equals the power on the other side of the IG Power coil.........that relay relaxes and can't pass power to the other relays that power the blower motor. So the blower stops robbing power from the battery during start.
Then you let go of START with the key.............power no longer exists on that wire to the IG Power relay in the blower motor and now there is a ground on that wire via the starter solenoid.................IG Power relay pulls in again and lets the blower work again.
Just the opposite way of working as I described in a earlier post above. There I said going to Start put power on the relay in the blower motor to pull in a relay but in reality you remove the gnd on that IG Power relay so it relaxes which prevents the other blower relays from pulling in.
The L/Y and G/R wires coming from the Logicon are grounds for the relays involved. That's what controls those relays normally.....the heater relay and ex-hi relays.
If the B/R wire from the starter does not have a ground on it then the heater relay and the ex-hi relays won't get power and can't work.
I pointed to the B/R wire in the attached jpg. I kind of repeated myself in my last two sentences. But they help explain what I said prior to that. Doubt anybody will read this anyway. I think I'm right about how the IG Power relay works duing START.
In the picture attached I see there is a blocking diode b/t the B/R wire and the IG Power relay. Power should not pass thru that diode to draw any power off the starter solenoid............but if the diode is blown for unknown reasons (batt connected up wrong at some time? in the past?) then it could siphon off power from the starter solenoid during Start? Say yes.
So the five volts was power passing thru the blocking diode and getting fed by the Meter fuse.?
Makes me want to go to my click, click car and put it back to stk and then disconnect the B/R wire from the blower housing assy and see if the starter now starts without the click, click, click...........finally start. Just key to start and start the car.
When I say B/R wire it could be B/R on some cars or B/W on others. Depends on the model. Whether B/R or B/W it's the wire spliced into the starter solenoid wire just prior to the starter solenoid.
IF the starter is not being turned over, then there is a ground on that B/R wire to the blower motor. Comes off the starter solenoids coil itself when it has no power going to it.
But if you go to Start, then you put 12v approx on that wire to the blower. Since the power on that wire equals the power on the other side of the IG Power coil.........that relay relaxes and can't pass power to the other relays that power the blower motor. So the blower stops robbing power from the battery during start.
Then you let go of START with the key.............power no longer exists on that wire to the IG Power relay in the blower motor and now there is a ground on that wire via the starter solenoid.................IG Power relay pulls in again and lets the blower work again.
Just the opposite way of working as I described in a earlier post above. There I said going to Start put power on the relay in the blower motor to pull in a relay but in reality you remove the gnd on that IG Power relay so it relaxes which prevents the other blower relays from pulling in.
The L/Y and G/R wires coming from the Logicon are grounds for the relays involved. That's what controls those relays normally.....the heater relay and ex-hi relays.
If the B/R wire from the starter does not have a ground on it then the heater relay and the ex-hi relays won't get power and can't work.
I pointed to the B/R wire in the attached jpg. I kind of repeated myself in my last two sentences. But they help explain what I said prior to that. Doubt anybody will read this anyway. I think I'm right about how the IG Power relay works duing START.
In the picture attached I see there is a blocking diode b/t the B/R wire and the IG Power relay. Power should not pass thru that diode to draw any power off the starter solenoid............but if the diode is blown for unknown reasons (batt connected up wrong at some time? in the past?) then it could siphon off power from the starter solenoid during Start? Say yes.
So the five volts was power passing thru the blocking diode and getting fed by the Meter fuse.?
Makes me want to go to my click, click car and put it back to stk and then disconnect the B/R wire from the blower housing assy and see if the starter now starts without the click, click, click...........finally start. Just key to start and start the car.
When I say B/R wire it could be B/R on some cars or B/W on others. Depends on the model. Whether B/R or B/W it's the wire spliced into the starter solenoid wire just prior to the starter solenoid.
Joined: May 2006
Posts: 3,881
Likes: 3
From: Jacksonville, Tampa & Tallahassee
Good post! (at least one person read it, lol).
So you think the blocking diode was the reason for the phantom 5v ehh? As good a guess as any as far as I can tell. The most confusing part was the inconsistencies between the wiring diagram and reality:
For example, the wire leaving the starter cut relay is B/W, however the wire that actually connects to the starter solenoid is B/Y.
The B/G wire that comes from the interlock switch, and feeds into the blower goes all the way to IG relay according to the diagram, but it switches to L/Y at the plug in real life.
I find it odd, that the same 5v signal that kept my bypass relay from opening once the engine started, also satisfied the grounding requirements for the blower motor to operate.
This needs to be in the archives.
So you think the blocking diode was the reason for the phantom 5v ehh? As good a guess as any as far as I can tell. The most confusing part was the inconsistencies between the wiring diagram and reality:
For example, the wire leaving the starter cut relay is B/W, however the wire that actually connects to the starter solenoid is B/Y.
The B/G wire that comes from the interlock switch, and feeds into the blower goes all the way to IG relay according to the diagram, but it switches to L/Y at the plug in real life.
I find it odd, that the same 5v signal that kept my bypass relay from opening once the engine started, also satisfied the grounding requirements for the blower motor to operate.
This needs to be in the archives.
In the past I had heater/blower problems. That's when I found out about the Ignition Power relay on the blower housing. I kept wondering "what the heck is that there for?". And how in the world does that Ign relay possibly work if it has power coming into both sides of its coil.
Well I woke up to how it works. If I put a meter on ohms and checked out the B/R (B/W depends on model/yr) I found it had less than a ohm on it. So I came to the conclusion that when there was no power on that wire from the key being put to Start, that it acts as a gnd wire and that gnd comes thru the starter solenoids coil going to grnd.
So no key to Start means that IGn relay is pulled in and lets power pass thru its contacts to feed the heater relay and the ex-hi relays. But if the key is put to Start, then that B/R (B/W) is no longer a gnd wire but has batt volage on it fromt the key being in Start so the Ign relaxes and now no power goes to the ex-hi or heater relays which in turn means if someone had the logicon to have the blower motor running.........well that power that fed the heater and ex hi relays ain't thar no mo so the blower now gets no power to run it.............until the key is put back to ON from Start and the IGN Pwr Relay pulls in again to feed the heater and ex hi relays again and now the blower blows again. Idea being to turn off all non essentials so all pwr will go to the starter and not be wasted on blower motors or radios etc.
Yes, I'm pretty sure that five volts is being bled thru that blocking diode I pointed to in the other post I made. Sometime I think I'll put one of my cars on jack stands and see what i have on those car. Not today. Too hot and I've got things to do.
Also still interested in what DAVE 007 did. Maybe if I get up real early it'll be cool enough to jack around with cars in the moring.
I admit I'm not fully understanding why the bleed thru of the diode would keep the starter form not spinning and just giving a click, click click...start situation.
Your cars wire colors seem odd. I've got 86 and 87 and they don't vary at the ignitoin switch etc from the manual. Frankly if memory serves I never could determine the color of my starter solenoid wire on any car. Looked pure black IF memory serves. It's in a pretty open and foul area and the color never bothered me. I knew what that wire was and I let it go at that. I assumed it was at one time black/white.
Whoa. I just remembered on the stk 87 turboii I have that wire is black/white for sure. Because of a thread I read/posted on in the last month or two. This guy had a 87 turbo and was looking at the 88 wiring diagrams and the last plug b/t the starter cut relay and the starter solenoid is not the same b/t 87 and 88 cars. That plug on 88s is I believe a four wire plug and on the 87 TurboII it is a single plug/wire connector and round in shape. And I had taken the time to go look at my 87TurboII to find out why he couldn't find that four wire plug and when looking at my car that triggered my memory that the 87 cars in some areas are different so I looked at my 87 schematics and sure enough the 87 TII get the single wire round plug in lieu of the four wire plug on 88s. That plug is called FE05 on the 88 cars but on the 87 it has another designation. Forget right now what. Matters not.
Well I woke up to how it works. If I put a meter on ohms and checked out the B/R (B/W depends on model/yr) I found it had less than a ohm on it. So I came to the conclusion that when there was no power on that wire from the key being put to Start, that it acts as a gnd wire and that gnd comes thru the starter solenoids coil going to grnd.
So no key to Start means that IGn relay is pulled in and lets power pass thru its contacts to feed the heater relay and the ex-hi relays. But if the key is put to Start, then that B/R (B/W) is no longer a gnd wire but has batt volage on it fromt the key being in Start so the Ign relaxes and now no power goes to the ex-hi or heater relays which in turn means if someone had the logicon to have the blower motor running.........well that power that fed the heater and ex hi relays ain't thar no mo so the blower now gets no power to run it.............until the key is put back to ON from Start and the IGN Pwr Relay pulls in again to feed the heater and ex hi relays again and now the blower blows again. Idea being to turn off all non essentials so all pwr will go to the starter and not be wasted on blower motors or radios etc.
Yes, I'm pretty sure that five volts is being bled thru that blocking diode I pointed to in the other post I made. Sometime I think I'll put one of my cars on jack stands and see what i have on those car. Not today. Too hot and I've got things to do.
Also still interested in what DAVE 007 did. Maybe if I get up real early it'll be cool enough to jack around with cars in the moring.
I admit I'm not fully understanding why the bleed thru of the diode would keep the starter form not spinning and just giving a click, click click...start situation.
Your cars wire colors seem odd. I've got 86 and 87 and they don't vary at the ignitoin switch etc from the manual. Frankly if memory serves I never could determine the color of my starter solenoid wire on any car. Looked pure black IF memory serves. It's in a pretty open and foul area and the color never bothered me. I knew what that wire was and I let it go at that. I assumed it was at one time black/white.
Whoa. I just remembered on the stk 87 turboii I have that wire is black/white for sure. Because of a thread I read/posted on in the last month or two. This guy had a 87 turbo and was looking at the 88 wiring diagrams and the last plug b/t the starter cut relay and the starter solenoid is not the same b/t 87 and 88 cars. That plug on 88s is I believe a four wire plug and on the 87 TurboII it is a single plug/wire connector and round in shape. And I had taken the time to go look at my 87TurboII to find out why he couldn't find that four wire plug and when looking at my car that triggered my memory that the 87 cars in some areas are different so I looked at my 87 schematics and sure enough the 87 TII get the single wire round plug in lieu of the four wire plug on 88s. That plug is called FE05 on the 88 cars but on the 87 it has another designation. Forget right now what. Matters not.
This might help. Maybe the relay your looking at is not the IGN Pwr relay at all.
I distincly remember the IGn Pwr relay being held to the outbd side of the blower housing all alone by itself. It's not one of the two relays located together on the backside of the blower housing facing the passenger. I posted a picture or two of it years ago. Maybe I can find it. IF memoy serves I could not see that Ign Pwr relay unless the blower housing was removed from the car. Hmm. I think theres a pic of it in BODY ELECTRICAL. Bye.
EDIT: I found the ign relay in the place shown in this jpg out of the series five HEATER AND A/C section of the FSM. It's number 7 in the picture. That picture is of the front side of the housing so you cannot see it from the area of the passengers knees (backside of the housing).
Series four BODY ELECTRICAL shows it in another place and I believe it's misidentified in that manual. I found trouble shooting the heater/blower made more sense looking at the series five HEATER AND A/C section of the FSM.
The relay that has the plug with the L/Y wire on it IS NOT in my opinion the IGN relay but that relay is the EX-HI relay. The HEATER relay would be the one that has a G/R wire in it's elect plug. Both those relays would also have a LG/B wire in their electrical plugs. The IGN relay has none of these color wires in it.
That help? Some I'm sure. Not all though. The B/Y connected to the starter solenoin on YOUR car is not kosher imho. Discolored white seems to be yellow is the cause? Heat distorted the color from white to yellow?
Seems I could just go to my car.......put it back to stk (no new relays in the start circuit) and just disconnect that blower motor plug that has about eight wires in it (F-50 in my diagrams above) and then go start the car and see if it has a click or varoooooooom! tooo hot.
I distincly remember the IGn Pwr relay being held to the outbd side of the blower housing all alone by itself. It's not one of the two relays located together on the backside of the blower housing facing the passenger. I posted a picture or two of it years ago. Maybe I can find it. IF memoy serves I could not see that Ign Pwr relay unless the blower housing was removed from the car. Hmm. I think theres a pic of it in BODY ELECTRICAL. Bye.
EDIT: I found the ign relay in the place shown in this jpg out of the series five HEATER AND A/C section of the FSM. It's number 7 in the picture. That picture is of the front side of the housing so you cannot see it from the area of the passengers knees (backside of the housing).
Series four BODY ELECTRICAL shows it in another place and I believe it's misidentified in that manual. I found trouble shooting the heater/blower made more sense looking at the series five HEATER AND A/C section of the FSM.
The relay that has the plug with the L/Y wire on it IS NOT in my opinion the IGN relay but that relay is the EX-HI relay. The HEATER relay would be the one that has a G/R wire in it's elect plug. Both those relays would also have a LG/B wire in their electrical plugs. The IGN relay has none of these color wires in it.
That help? Some I'm sure. Not all though. The B/Y connected to the starter solenoin on YOUR car is not kosher imho. Discolored white seems to be yellow is the cause? Heat distorted the color from white to yellow?
Seems I could just go to my car.......put it back to stk (no new relays in the start circuit) and just disconnect that blower motor plug that has about eight wires in it (F-50 in my diagrams above) and then go start the car and see if it has a click or varoooooooom! tooo hot.
He replaced the starter relay for an automotive one.
Joined: May 2006
Posts: 3,881
Likes: 3
From: Jacksonville, Tampa & Tallahassee
This might help. Maybe the relay your looking at is not the IGN Pwr relay at all.
I distincly remember the IGn Pwr relay being held to the outbd side of the blower housing all alone by itself. It's not one of the two relays located together on the backside of the blower housing facing the passenger. I posted a picture or two of it years ago. Maybe I can find it. IF memoy serves I could not see that Ign Pwr relay unless the blower housing was removed from the car. Hmm. I think theres a pic of it in BODY ELECTRICAL. Bye.
EDIT: I found the ign relay in the place shown in this jpg out of the series five HEATER AND A/C section of the FSM. It's number 7 in the picture. That picture is of the front side of the housing so you cannot see it from the area of the passengers knees (backside of the housing).
Series four BODY ELECTRICAL shows it in another place and I believe it's misidentified in that manual. I found trouble shooting the heater/blower made more sense looking at the series five HEATER AND A/C section of the FSM.
The relay that has the plug with the L/Y wire on it IS NOT in my opinion the IGN relay but that relay is the EX-HI relay. The HEATER relay would be the one that has a G/R wire in it's elect plug. Both those relays would also have a LG/B wire in their electrical plugs. The IGN relay has none of these color wires in it.
I distincly remember the IGn Pwr relay being held to the outbd side of the blower housing all alone by itself. It's not one of the two relays located together on the backside of the blower housing facing the passenger. I posted a picture or two of it years ago. Maybe I can find it. IF memoy serves I could not see that Ign Pwr relay unless the blower housing was removed from the car. Hmm. I think theres a pic of it in BODY ELECTRICAL. Bye.
EDIT: I found the ign relay in the place shown in this jpg out of the series five HEATER AND A/C section of the FSM. It's number 7 in the picture. That picture is of the front side of the housing so you cannot see it from the area of the passengers knees (backside of the housing).
Series four BODY ELECTRICAL shows it in another place and I believe it's misidentified in that manual. I found trouble shooting the heater/blower made more sense looking at the series five HEATER AND A/C section of the FSM.
The relay that has the plug with the L/Y wire on it IS NOT in my opinion the IGN relay but that relay is the EX-HI relay. The HEATER relay would be the one that has a G/R wire in it's elect plug. Both those relays would also have a LG/B wire in their electrical plugs. The IGN relay has none of these color wires in it.
That help? Some I'm sure. Not all though. The B/Y connected to the starter solenoin on YOUR car is not kosher imho. Discolored white seems to be yellow is the cause? Heat distorted the color from white to yellow?
Seems I could just go to my car.......put it back to stk (no new relays in the start circuit) and just disconnect that blower motor plug that has about eight wires in it (F-50 in my diagrams above) and then go start the car and see if it has a click or varoooooooom! tooo hot.
Because on his setup he had the battery wired up directly to one of the relay terminals and the wire coming from the other side of the relay terminal ran to the relay by the blower motor so his problem was the 5 volts on the B/G was feeding the relay coil w/voltage and he had the other side of the coil wired to a constant ground thus his coil was always excited and the relay would not open up after the starting of the car as the key rolled back to the on position.
He replaced the starter relay for an automotive one.
He replaced the starter relay for an automotive one.
Because on his setup he had the battery wired up directly to one of the relay terminals and the wire coming from the other side of the relay terminal ran to the relay by the blower motor so his problem was the 5 volts on the B/G was feeding the relay coil w/voltage and he had the other side of the coil wired to a constant ground thus his coil was always excited and the relay would not open up after the starting of the car as the key rolled back to the on position.
He replaced the starter relay for an automotive one.
He replaced the starter relay for an automotive one.
Sharingan..........your car has ABS does it not? Just curious. I see where the cars with ABS would have the B/G wire at the F-50 heater/blower plug. Just curious, that's all.
Joined: May 2006
Posts: 3,881
Likes: 3
From: Jacksonville, Tampa & Tallahassee
Yes, it came with ABS (absolute bull-****). The B/G wire does go into the plug F-50 on the harness side, however on the blower side it becomes L/Y and goes.....not quite sure where.
What Dave007 mentioned in his post on page 4 of this thread caught my eye several weeks ago.
So today I got a piece of electrical wire and put a female connector on one end and attached it to the starter solenoid. The original trigger wire that I removed to do this, is now tied to the harness down there out of the way. Nothing else done to that wire other than remove it from the starter solenoid.
Then I took the other end of that new wire and spliced it to the Blue jumper plugs jumper wire.
Car starts each and every time with no click, click, click....start deal.
So what I've done is remove the Radio Shack relay that I had installed previously to *fix* this problem.
Doing this I've bypassed the B/W wire from the starter cut relays plug to the connector called FE-05 in the 88 diagrams and also bypassed the B/W wire b/t the FE-05 to the starter solenoid.
I've no real idea why this works for ME. The plug called FE-05 (located below the brake master cylinder area) looks just fine and is a weather proof connector. And the B/W wire leaving it to the starter solenoid looks normal to me.
FE-05 on non turbo cars is a black ROUND shaped plug with six sockeets and on 87 turbo cars its a single wire round plug with one black/white wire in it.
So if one does not wanna buy a relay and splice in more than one wire..............give this a try 'cause it takes but one new wire and ..........a female terminal on one end and the other end just spliced into the jumper wire at the starter cut relays plug or if you have factory theft you can splice into the G/B wire in that plug.
By leaving the original starter solenoid trigger wire uncut and original...........you avoid having problems with the ECU and Circuit Opening Relay not getting the start signal.
What I wrote just above actually makes sense to me...........maybe not others. I've been using a Radio Shack relay and jumper wires for about four yrs to overcome this click, click problem......but no 'mo.
The BLUE jumper plug is shown in the attachment in stk condition prior to me cutting it in two and splicing in the NEW wire I mentioned above. BLUE jumper plug exists on cars without factory theft protection. Cars WITH factory theft have no blue jumper but have the elect plug that connects to the starter cut relay and the large green/black wire in that connector can be spliced into or the B/W wire in that plug and you get the same results.
So today I got a piece of electrical wire and put a female connector on one end and attached it to the starter solenoid. The original trigger wire that I removed to do this, is now tied to the harness down there out of the way. Nothing else done to that wire other than remove it from the starter solenoid.
Then I took the other end of that new wire and spliced it to the Blue jumper plugs jumper wire.
Car starts each and every time with no click, click, click....start deal.
So what I've done is remove the Radio Shack relay that I had installed previously to *fix* this problem.
Doing this I've bypassed the B/W wire from the starter cut relays plug to the connector called FE-05 in the 88 diagrams and also bypassed the B/W wire b/t the FE-05 to the starter solenoid.
I've no real idea why this works for ME. The plug called FE-05 (located below the brake master cylinder area) looks just fine and is a weather proof connector. And the B/W wire leaving it to the starter solenoid looks normal to me.
FE-05 on non turbo cars is a black ROUND shaped plug with six sockeets and on 87 turbo cars its a single wire round plug with one black/white wire in it.
So if one does not wanna buy a relay and splice in more than one wire..............give this a try 'cause it takes but one new wire and ..........a female terminal on one end and the other end just spliced into the jumper wire at the starter cut relays plug or if you have factory theft you can splice into the G/B wire in that plug.
By leaving the original starter solenoid trigger wire uncut and original...........you avoid having problems with the ECU and Circuit Opening Relay not getting the start signal.
What I wrote just above actually makes sense to me...........maybe not others. I've been using a Radio Shack relay and jumper wires for about four yrs to overcome this click, click problem......but no 'mo.
The BLUE jumper plug is shown in the attachment in stk condition prior to me cutting it in two and splicing in the NEW wire I mentioned above. BLUE jumper plug exists on cars without factory theft protection. Cars WITH factory theft have no blue jumper but have the elect plug that connects to the starter cut relay and the large green/black wire in that connector can be spliced into or the B/W wire in that plug and you get the same results.
What Dave007 mentioned in his post on page 4 of this thread caught my eye several weeks ago.
So today I got a piece of electrical wire and put a female connector on one end and attached it to the starter solenoid. The original trigger wire that I removed to do this, is now tied to the harness down there out of the way. Nothing else done to that wire other than remove it from the starter solenoid.
Then I took the other end of that new wire and spliced it to the Blue jumper plugs jumper wire.
Car starts each and every time with no click, click, click....start deal.
So what I've done is remove the Radio Shack relay that I had installed previously to *fix* this problem.
Doing this I've bypassed the B/W wire from the starter cut relays plug to the connector called FE-05 in the 88 diagrams and also bypassed the B/W wire b/t the FE-05 to the starter solenoid.
I've no real idea why this works for ME. The plug called FE-05 (located below the brake master cylinder area) looks just fine and is a weather proof connector. And the B/W wire leaving it to the starter solenoid looks normal to me.
FE-05 on non turbo cars is a black ROUND shaped plug with six sockeets and on 87 turbo cars its a single wire round plug with one black/white wire in it.
So if one does not wanna buy a relay and splice in more than one wire..............give this a try 'cause it takes but one new wire and ..........a female terminal on one end and the other end just spliced into the jumper wire at the starter cut relays plug or if you have factory theft you can splice into the G/B wire in that plug.
By leaving the original starter solenoid trigger wire uncut and original...........you avoid having problems with the ECU and Circuit Opening Relay not getting the start signal.
What I wrote just above actually makes sense to me...........maybe not others. I've been using a Radio Shack relay and jumper wires for about four yrs to overcome this click, click problem......but no 'mo.
The BLUE jumper plug is shown in the attachment in stk condition prior to me cutting it in two and splicing in the NEW wire I mentioned above. BLUE jumper plug exists on cars without factory theft protection. Cars WITH factory theft have no blue jumper but have the elect plug that connects to the starter cut relay and the large green/black wire in that connector can be spliced into or the B/W wire in that plug and you get the same results.
So today I got a piece of electrical wire and put a female connector on one end and attached it to the starter solenoid. The original trigger wire that I removed to do this, is now tied to the harness down there out of the way. Nothing else done to that wire other than remove it from the starter solenoid.
Then I took the other end of that new wire and spliced it to the Blue jumper plugs jumper wire.
Car starts each and every time with no click, click, click....start deal.
So what I've done is remove the Radio Shack relay that I had installed previously to *fix* this problem.
Doing this I've bypassed the B/W wire from the starter cut relays plug to the connector called FE-05 in the 88 diagrams and also bypassed the B/W wire b/t the FE-05 to the starter solenoid.
I've no real idea why this works for ME. The plug called FE-05 (located below the brake master cylinder area) looks just fine and is a weather proof connector. And the B/W wire leaving it to the starter solenoid looks normal to me.
FE-05 on non turbo cars is a black ROUND shaped plug with six sockeets and on 87 turbo cars its a single wire round plug with one black/white wire in it.
So if one does not wanna buy a relay and splice in more than one wire..............give this a try 'cause it takes but one new wire and ..........a female terminal on one end and the other end just spliced into the jumper wire at the starter cut relays plug or if you have factory theft you can splice into the G/B wire in that plug.
By leaving the original starter solenoid trigger wire uncut and original...........you avoid having problems with the ECU and Circuit Opening Relay not getting the start signal.
What I wrote just above actually makes sense to me...........maybe not others. I've been using a Radio Shack relay and jumper wires for about four yrs to overcome this click, click problem......but no 'mo.
The BLUE jumper plug is shown in the attachment in stk condition prior to me cutting it in two and splicing in the NEW wire I mentioned above. BLUE jumper plug exists on cars without factory theft protection. Cars WITH factory theft have no blue jumper but have the elect plug that connects to the starter cut relay and the large green/black wire in that connector can be spliced into or the B/W wire in that plug and you get the same results.
1) I also have this issue (click click click BRAP).
2) I DO have this blue jumper on my harness in the engine bay.
3) My factory alarm goes off when I open the door... and kills the starter.
4) When I pull the jumper plug out, the starter is disabled.
5) Its an 88 Vert
6) It has an S5 JSpec 13bt
7) I have no clue if its an S4 or S5 harness.
8) I have the security light in the console - which I believe also cae from a different car - but is fully functional.
I want to try what you did here... just dont know if it will have any merit with my conditions here...
When I did this I replaced the original relay with a new bosch 30A one and use the same type for the new one (I followed RotaryRocket88s dual relay setup). When I did this nothing happened when I turned the key ever. So I put the original relay back and it works everytime! Just figured I might as well replace the original relay while I was there but I guess not. Wonder why?
Pardon me, I know I could be wrong, but the BLUE jumper if installed cannot be on a factory theft protected car.
That blue plug is plugged into a connector and that connector is attached to the Starter Cut Relay on a car with Factory Theft.
It sounds like you have theft protection, but I doubt it's Factory Theft protection. I could be wrong.........but doubt it very much. Anybody that wants can say I'm wrong, but if you do, then tell me why the schematics for the are wrong. Please.
That said..............it makes no difference to me if it's factory or aftermarket. You say if the Blue jumper plug is pulled out the car won't start. Good. Normal. So all you do is leave the blue jumper in the connector. Get a piece of 18-22 gauge wire from somewhere and also get a female connector to crimp on one end of that new wire.
So now you have a new wire with a female on it. Get under the car and pull the small trigger wire off the starter solenoid. It pulls straight off. Put you new wire with female connector on the blade on the starter soleoid where you just pulled the small trigger wire off. Tie the old wire to the harness. Do NOT cut it or molest it.
Now run your NEW wire up from the starter solenoid to the BLUE jumper.
Now cut the wire on the Blue jumper in the middle. Bare both pieces with wire strippers or razor blade etc. Twist them together and install them in a butt splice. Put your NEW wire in the other end of the butt splice.
Start the car and see what happens. Hopefully there is no click at all and just a good starting car.
Male and female end fittings are at Autozone/PepBoys or even cheaper at HOME DEPOT in the electrical parts area.
Instead of crimping you could solder the wires at the blue connector, but you need a female connector at the starter solenoid.
Need a picture of any of the parts?????? Butt splices and female end fittings???? For 18-22 ga wire?????
No relay involved here. Just an experiment driven by what DAVE007 wrote and all I did was experiment and do what I just now described and my car works fine with no click, click, click.
I'm not agains the relays. Like I said earlier, I installed a relay years ago to *fix* this oddball problem. I could just be lucky or this could be a good fix.......to bypass the wires leaving the BLUE jumper to the starter solenoid.
Sorry, I've no time or wanna to go out with a meter and see where the voltage drop is. It's too hared to access the plug called FE-05 (memory).
On a car with the elect connector connected to the Starter Cut Relay and no blue jumper, just splice into the BLACK/WHITE wire of the elect connector and run that new wire to the starter solenoid to replace the original wire on the blade of the starter solenoid. Never cut or mess up the original wire that was on the starter solenoid. Just tie it to the harness and forget it.
This is just an experiment. But if it worked for Dave007 and worked for me on two cars and then works for another person on this forum..........this could be a easy fix with no relay involved.
That blue plug is plugged into a connector and that connector is attached to the Starter Cut Relay on a car with Factory Theft.
It sounds like you have theft protection, but I doubt it's Factory Theft protection. I could be wrong.........but doubt it very much. Anybody that wants can say I'm wrong, but if you do, then tell me why the schematics for the are wrong. Please.
That said..............it makes no difference to me if it's factory or aftermarket. You say if the Blue jumper plug is pulled out the car won't start. Good. Normal. So all you do is leave the blue jumper in the connector. Get a piece of 18-22 gauge wire from somewhere and also get a female connector to crimp on one end of that new wire.
So now you have a new wire with a female on it. Get under the car and pull the small trigger wire off the starter solenoid. It pulls straight off. Put you new wire with female connector on the blade on the starter soleoid where you just pulled the small trigger wire off. Tie the old wire to the harness. Do NOT cut it or molest it.
Now run your NEW wire up from the starter solenoid to the BLUE jumper.
Now cut the wire on the Blue jumper in the middle. Bare both pieces with wire strippers or razor blade etc. Twist them together and install them in a butt splice. Put your NEW wire in the other end of the butt splice.
Start the car and see what happens. Hopefully there is no click at all and just a good starting car.
Male and female end fittings are at Autozone/PepBoys or even cheaper at HOME DEPOT in the electrical parts area.
Instead of crimping you could solder the wires at the blue connector, but you need a female connector at the starter solenoid.
Need a picture of any of the parts?????? Butt splices and female end fittings???? For 18-22 ga wire?????
No relay involved here. Just an experiment driven by what DAVE007 wrote and all I did was experiment and do what I just now described and my car works fine with no click, click, click.
I'm not agains the relays. Like I said earlier, I installed a relay years ago to *fix* this oddball problem. I could just be lucky or this could be a good fix.......to bypass the wires leaving the BLUE jumper to the starter solenoid.
Sorry, I've no time or wanna to go out with a meter and see where the voltage drop is. It's too hared to access the plug called FE-05 (memory).
On a car with the elect connector connected to the Starter Cut Relay and no blue jumper, just splice into the BLACK/WHITE wire of the elect connector and run that new wire to the starter solenoid to replace the original wire on the blade of the starter solenoid. Never cut or mess up the original wire that was on the starter solenoid. Just tie it to the harness and forget it.
This is just an experiment. But if it worked for Dave007 and worked for me on two cars and then works for another person on this forum..........this could be a easy fix with no relay involved.
Pardon me, I know I could be wrong, but the BLUE jumper if installed cannot be on a factory theft protected car.
That blue plug is plugged into a connector and that connector is attached to the Starter Cut Relay on a car with Factory Theft.
It sounds like you have theft protection, but I doubt it's Factory Theft protection. I could be wrong.........but doubt it very much. Anybody that wants can say I'm wrong, but if you do, then tell me why the schematics for the are wrong. Please.
That said..............it makes no difference to me if it's factory or aftermarket. You say if the Blue jumper plug is pulled out the car won't start. Good. Normal. So all you do is leave the blue jumper in the connector. Get a piece of 18-22 gauge wire from somewhere and also get a female connector to crimp on one end of that new wire.
So now you have a new wire with a female on it. Get under the car and pull the small trigger wire off the starter solenoid. It pulls straight off. Put you new wire with female connector on the blade on the starter soleoid where you just pulled the small trigger wire off. Tie the old wire to the harness. Do NOT cut it or molest it.
Now run your NEW wire up from the starter solenoid to the BLUE jumper.
Now cut the wire on the Blue jumper in the middle. Bare both pieces with wire strippers or razor blade etc. Twist them together and install them in a butt splice. Put your NEW wire in the other end of the butt splice.
Start the car and see what happens. Hopefully there is no click at all and just a good starting car.
Male and female end fittings are at Autozone/PepBoys or even cheaper at HOME DEPOT in the electrical parts area.
Instead of crimping you could solder the wires at the blue connector, but you need a female connector at the starter solenoid.
Need a picture of any of the parts?????? Butt splices and female end fittings???? For 18-22 ga wire?????
No relay involved here. Just an experiment driven by what DAVE007 wrote and all I did was experiment and do what I just now described and my car works fine with no click, click, click.
I'm not agains the relays. Like I said earlier, I installed a relay years ago to *fix* this oddball problem. I could just be lucky or this could be a good fix.......to bypass the wires leaving the BLUE jumper to the starter solenoid.
Sorry, I've no time or wanna to go out with a meter and see where the voltage drop is. It's too hared to access the plug called FE-05 (memory).
On a car with the elect connector connected to the Starter Cut Relay and no blue jumper, just splice into the BLACK/WHITE wire of the elect connector and run that new wire to the starter solenoid to replace the original wire on the blade of the starter solenoid. Never cut or mess up the original wire that was on the starter solenoid. Just tie it to the harness and forget it.
This is just an experiment. But if it worked for Dave007 and worked for me on two cars and then works for another person on this forum..........this could be a easy fix with no relay involved.
That blue plug is plugged into a connector and that connector is attached to the Starter Cut Relay on a car with Factory Theft.
It sounds like you have theft protection, but I doubt it's Factory Theft protection. I could be wrong.........but doubt it very much. Anybody that wants can say I'm wrong, but if you do, then tell me why the schematics for the are wrong. Please.
That said..............it makes no difference to me if it's factory or aftermarket. You say if the Blue jumper plug is pulled out the car won't start. Good. Normal. So all you do is leave the blue jumper in the connector. Get a piece of 18-22 gauge wire from somewhere and also get a female connector to crimp on one end of that new wire.
So now you have a new wire with a female on it. Get under the car and pull the small trigger wire off the starter solenoid. It pulls straight off. Put you new wire with female connector on the blade on the starter soleoid where you just pulled the small trigger wire off. Tie the old wire to the harness. Do NOT cut it or molest it.
Now run your NEW wire up from the starter solenoid to the BLUE jumper.
Now cut the wire on the Blue jumper in the middle. Bare both pieces with wire strippers or razor blade etc. Twist them together and install them in a butt splice. Put your NEW wire in the other end of the butt splice.
Start the car and see what happens. Hopefully there is no click at all and just a good starting car.
Male and female end fittings are at Autozone/PepBoys or even cheaper at HOME DEPOT in the electrical parts area.
Instead of crimping you could solder the wires at the blue connector, but you need a female connector at the starter solenoid.
Need a picture of any of the parts?????? Butt splices and female end fittings???? For 18-22 ga wire?????
No relay involved here. Just an experiment driven by what DAVE007 wrote and all I did was experiment and do what I just now described and my car works fine with no click, click, click.
I'm not agains the relays. Like I said earlier, I installed a relay years ago to *fix* this oddball problem. I could just be lucky or this could be a good fix.......to bypass the wires leaving the BLUE jumper to the starter solenoid.
Sorry, I've no time or wanna to go out with a meter and see where the voltage drop is. It's too hared to access the plug called FE-05 (memory).
On a car with the elect connector connected to the Starter Cut Relay and no blue jumper, just splice into the BLACK/WHITE wire of the elect connector and run that new wire to the starter solenoid to replace the original wire on the blade of the starter solenoid. Never cut or mess up the original wire that was on the starter solenoid. Just tie it to the harness and forget it.
This is just an experiment. But if it worked for Dave007 and worked for me on two cars and then works for another person on this forum..........this could be a easy fix with no relay involved.
Hailers... dont think you could have made it any more clear. Thanks!
IF you read DAVE007s post, that is a problem he encountered and fixed.
I really kind of hope this run of a new wire works for others. Might save some headaches with the relays.
One thing I didn't emphasize enough is...............the original wiring that went from the blue jumper to the starter solenoid NEEDS to be left in place. The reason is that somewhere in that wiring it gets spliced to another wire that feeds the circuit opening relay and most importantly feeds a wire to the ECU. This wire lets the ECU know that the car is being Started so it can use an internal Start fuel map for the amount of fuel delivered during the start cycle. That's all this wire does in life. It does not cause the starter to spin faster etc. It's just a head's up to the ECU that the car is being starter.
IF you read DAVE007s post, that is a problem he encountered and fixed.
I really kind of hope this run of a new wire works for others. Might save some headaches with the relays.
IF you read DAVE007s post, that is a problem he encountered and fixed.
I really kind of hope this run of a new wire works for others. Might save some headaches with the relays.
I'll try it today after work and report back!
The CLICK*crickets* phenomenon has recently manifested itself in my S5 NA...to the point where I have been making sure I park on an incline (the RX is probably the easiest car to bumpstart I've ever owned), which is totally unacceptable.
Looking at my FSM...

...I wonder if it might be even more advantageous to run the solenoid trigger from the B/L wire, which eliminates all of the relays and switches from the equation.
Yes, no, maybe?
Looking at my FSM...

...I wonder if it might be even more advantageous to run the solenoid trigger from the B/L wire, which eliminates all of the relays and switches from the equation.
Yes, no, maybe?
-I meant to make note that I'm talking only about series four cars. The series five are different in the start circuit. My bad for not noting that.
Series four circuit attached below.
But to the question......if you bypass the relay and clutch interlock you lose the clutch interlock function. Frankly I think thats a good thing and I've done it to my cars that have the clutch interlock (eliminated the clutch interlock but not doing what your talking about doing). The clutch interlock gets in my way when I want to just reach in the window and start the dang car without sitting in the car. Real drag imho.
Sounds like the thing to do.
As you can see the series five is quite different than series four when you look at where the interlock switch is compared to the series four.
Aw heck, why be all wishywashy about it....heck yes I'd bypass the relay and interlock sw.
Series four circuit attached below.
But to the question......if you bypass the relay and clutch interlock you lose the clutch interlock function. Frankly I think thats a good thing and I've done it to my cars that have the clutch interlock (eliminated the clutch interlock but not doing what your talking about doing). The clutch interlock gets in my way when I want to just reach in the window and start the dang car without sitting in the car. Real drag imho.
Sounds like the thing to do.
As you can see the series five is quite different than series four when you look at where the interlock switch is compared to the series four.
Aw heck, why be all wishywashy about it....heck yes I'd bypass the relay and interlock sw.


