2nd Generation Specific (1986-1992) 1986-1992 Discussion including performance modifications and technical support sections.

What triggers the fan temp light on a 5 speed?

Thread Tools
 
Search this Thread
 
Old May 9, 2006 | 09:52 PM
  #51  
driftin8ez's Avatar
Thread Starter
Senior Member
Tenured Member 05 Years
 
Joined: Sep 2005
Posts: 603
Likes: 0
From: NJ
Yeah i had them oriented correct the whole time. It took me like 10 minutes to figure out how to look at that stupid thing. and the LB wire is still in the br position on the s4 diagram.

edit; also in one my other posts i mentioned where the lb wire went into the rectangular plug at the other end. I jus couldn't see what color the wire was on the other side of the plug. I think it was if you hold the plug wires facing towards you and the push button clip on top the LB wire went into the last pin on the bottom right.

Last edited by driftin8ez; May 9, 2006 at 09:58 PM.
Reply
Old May 9, 2006 | 10:37 PM
  #52  
HAILERS's Avatar
HAILERS
Tenured Member 10 Years
 
Joined: May 2001
Posts: 20,563
Likes: 27
From: FORT WORTH, TEXAS,USA
******push button clip on top the LB wire went into the last pin on the bottom right.****

Yes. In the S5 diagrams it shows the LB going to the bottom row, and on the end. It shows to mate in the other side of the plug with a LB wire. LB wire is supposed to be for Milage Sensor #1 in the instrument cluster and the other end of LB ends at pin 1M on the ECU. Emissions type stuff. No way LB(Milage sensor) should be going to where the BR (Fan) is shown in the series four plug C0-1.

Work in progress
Reply
Old May 9, 2006 | 10:42 PM
  #53  
HAILERS's Avatar
HAILERS
Tenured Member 10 Years
 
Joined: May 2001
Posts: 20,563
Likes: 27
From: FORT WORTH, TEXAS,USA
I have a very good idea for tomorrow, first thing. Depin BOTH LB wires and then put both plugs back on and see how the light works. I think that's where we went wrong. They are spliced together and that might effect things.
Reply
Old May 10, 2006 | 12:25 AM
  #54  
HAILERS's Avatar
HAILERS
Tenured Member 10 Years
 
Joined: May 2001
Posts: 20,563
Likes: 27
From: FORT WORTH, TEXAS,USA
Another dumb question: Does the instrument gauge lighting work???? It shouldn't because you've a RL wire (Red/Blue) going to pin 7. Pin 7 being for Illumination. But the RL wire there goes to the Warning Cluster (might actually be coming FROM the Warning light cluster).

And pin 9 should be for Shift Indicator and it has a Brown/Red wire that goes to the ECU and that Brown/Red is a output from the Instrument cluster to the ECU as a milage sensor #2 signal BUT the S4 instrument cluster has no Mileage Sensor #2. So that is wired wrong, but you'd never notice it. AND S5 I find out have no shift indicator on those cars meaning we'll never find a compatible wire for pin #9.

work in progress.
Reply
Old May 10, 2006 | 01:15 AM
  #55  
HAILERS's Avatar
HAILERS
Tenured Member 10 Years
 
Joined: May 2001
Posts: 20,563
Likes: 27
From: FORT WORTH, TEXAS,USA
Does your plug match the jpg I made? Attached.
Attached Thumbnails What triggers the fan temp light on a 5 speed?-circle.jpg  
Reply
Old May 10, 2006 | 08:01 AM
  #56  
HAILERS's Avatar
HAILERS
Tenured Member 10 Years
 
Joined: May 2001
Posts: 20,563
Likes: 27
From: FORT WORTH, TEXAS,USA
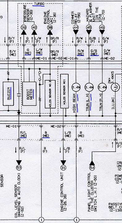
I'm convinced the instrument cluster is wired wrong or actually never wired different as it should have been.

Attached are two jpg out of the S5 FSM, Body Electrical section. They show the wires colors and what they do in life. I underlined those for C0-1 only.

I'd suggest comparing that with the two plugs for a series four. I've already attached the plug C0-1 for a series four and it shows what each wire was meant for. I"ll post CO-2 for the series four later.
Attached Thumbnails What triggers the fan temp light on a 5 speed?-bb.jpg   What triggers the fan temp light on a 5 speed?-bmeter.jpg   What triggers the fan temp light on a 5 speed?-bbb.jpg  

Last edited by HAILERS; May 10, 2006 at 08:07 AM.
Reply
Old May 10, 2006 | 09:42 AM
  #57  
driftin8ez's Avatar
Thread Starter
Senior Member
Tenured Member 05 Years
 
Joined: Sep 2005
Posts: 603
Likes: 0
From: NJ
Originally Posted by HAILERS
Another dumb question: Does the instrument gauge lighting work???? It shouldn't because you've a RL wire (Red/Blue) going to pin 7. Pin 7 being for Illumination. But the RL wire there goes to the Warning Cluster (might actually be coming FROM the Warning light cluster).

And pin 9 should be for Shift Indicator and it has a Brown/Red wire that goes to the ECU and that Brown/Red is a output from the Instrument cluster to the ECU as a milage sensor #2 signal BUT the S4 instrument cluster has no Mileage Sensor #2. So that is wired wrong, but you'd never notice it. AND S5 I find out have no shift indicator on those cars meaning we'll never find a compatible wire for pin #9.

work in progress.

Wow so many posts. a lot to think about i'll start with this one. The guage lighting does work however the shift indicator light has never work. I actually never noticed it was even there till the other day when i was taking it out.
Reply
Old May 10, 2006 | 10:01 AM
  #58  
HAILERS's Avatar
HAILERS
Tenured Member 10 Years
 
Joined: May 2001
Posts: 20,563
Likes: 27
From: FORT WORTH, TEXAS,USA
Originally Posted by driftin8ez
Wow so many posts. a lot to think about i'll start with this one. The guage lighting does work however the shift indicator light has never work. I actually never noticed it was even there till the other day when i was taking it out.
Yeah. Forget about the other posts. It took me a while, but I finally realized that the previous owner did not take care of business with the wiring.

Consider the wiring for the plugs needing to be rearranged.

The SHIFT and the FAN will never work because the S5 disgarded those items.

Icemark has done something SIMILAR at this site https://www.rx7club.com/showthread.p...lectrical+help

But it's just the opposite of what you need to do. It might give you clues to what to do.

In my eyes it's a matter of looking at those two S4 plugs I attached and also looking at that page out of the S5 FSM, Body Electrical, section, of the cluster and the wires. I found it on page T-37 of the S5 FSM. It's online for a free download.
Reply
Old May 10, 2006 | 10:05 AM
  #59  
driftin8ez's Avatar
Thread Starter
Senior Member
Tenured Member 05 Years
 
Joined: Sep 2005
Posts: 603
Likes: 0
From: NJ
Originally Posted by HAILERS
Does your plug match the jpg I made? Attached.

yep thats it. Hailers you have mad photoshopping skillz yo. j/k
thanx for taking the time to make that seriously.
Reply
Old May 10, 2006 | 10:09 AM
  #60  
driftin8ez's Avatar
Thread Starter
Senior Member
Tenured Member 05 Years
 
Joined: Sep 2005
Posts: 603
Likes: 0
From: NJ
so you think that he just plugged in the s4 cluster and went on his way? the LB wires have to do with some 20,000 mile emissions thing. Correct? Why the heck would it trip now? Could he have reset that counter to pass inspection or something. And it just turned over now?
Reply
Old May 10, 2006 | 10:17 AM
  #61  
driftin8ez's Avatar
Thread Starter
Senior Member
Tenured Member 05 Years
 
Joined: Sep 2005
Posts: 603
Likes: 0
From: NJ
Originally Posted by HAILERS
I'm convinced the instrument cluster is wired wrong or actually never wired different as it should have been.

Attached are two jpg out of the S5 FSM, Body Electrical section. They show the wires colors and what they do in life. I underlined those for C0-1 only.

I'd suggest comparing that with the two plugs for a series four. I've already attached the plug C0-1 for a series four and it shows what each wire was meant for. I"ll post CO-2 for the series four later.

so all i have to do is look at the diagram of the s4 plugs you gave me and make sure my hareness has all the same colors in the same places. or are the wire colors and functions diff. from s4 to s5?

Last edited by driftin8ez; May 10, 2006 at 10:40 AM.
Reply
Old May 11, 2006 | 11:02 AM
  #62  
HAILERS's Avatar
HAILERS
Tenured Member 10 Years
 
Joined: May 2001
Posts: 20,563
Likes: 27
From: FORT WORTH, TEXAS,USA
NO.

I meant look at the series four pinout pictures and at each pin there are words that say *Coolan* or *Speed Sensor* etc.

So what you'd do is also look at the picture out of the Series five FSM, page T-37.

That picture shows the series five cluster and the wire colors going to each unit in the cluster, like the Speed Sensor. For the Speed Sensor it shows a G/R wire. A G/R is a green wire with red stripe.

Tell you what, I did the two plugs and made a jpg of them that is attached to this post. Some sockets are shown blank. That's because nothing should go there, so don't put any wire there. Leave 'em wireless.

You might have to move a wire from one plug to the other, I THINK that's the case with the Speed Sensor. May be wrong
Attached Thumbnails What triggers the fan temp light on a 5 speed?-mywayone.jpg   What triggers the fan temp light on a 5 speed?-mywaytwo.jpg  
Reply
Old May 11, 2006 | 01:28 PM
  #63  
driftin8ez's Avatar
Thread Starter
Senior Member
Tenured Member 05 Years
 
Joined: Sep 2005
Posts: 603
Likes: 0
From: NJ
thanx hailers your the best! ill rewire it asap.
Reply
Related Topics
Thread
Thread Starter
Forum
Replies
Last Post
streetlegal?
New Member RX-7 Technical
13
Mar 17, 2022 02:46 PM
sherff
Adaptronic Engine Mgmt - AUS
9
Feb 24, 2019 12:09 PM
C. Ludwig
Single Turbo RX-7's
49
Jan 30, 2019 06:31 AM
immanuel__7
2nd Generation Specific (1986-1992)
89
Sep 5, 2015 10:23 AM




All times are GMT -5. The time now is 04:07 PM.