Battery Relocation Plan
Battery Relocation Plan
I have an idea for battery relocation that I want to run past everyone.
I was reading the various historical threads and basically what I got out of them is that if you relocate the battery to the passenger area you need to put it in a approved metal/poly box, vent it, (unless it is sealed possibly?) and then have an external rear-mounted kill switch. Do that and you would be race legal for every sanctioning body.
Many people said they didn't want to do this because you end up with ~ 20 feet of 0/2 awg wire running all over, plus they didn't want the switch most of the time.
I'm wondering why you couldn't just use a relay then to operate the kill switch, or even better, two relays so that you can include the key as a cut-off as well. The smaller wiring would allow for a mounting bracket to be used for the rear switch. You could even wire it to be a removable option.
Here's the rule: (copy pasted from
here)
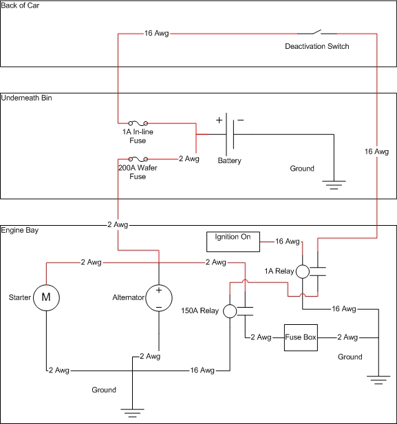
Here's a wiring diagram I created to explain what I'm talking about. I left off the physical requirements (bolts, battery box etc) as well as the stereo system stuff I would also have connected. I'll include those in a revised diagram if there's interest.

Any comments?
I was reading the various historical threads and basically what I got out of them is that if you relocate the battery to the passenger area you need to put it in a approved metal/poly box, vent it, (unless it is sealed possibly?) and then have an external rear-mounted kill switch. Do that and you would be race legal for every sanctioning body.
Many people said they didn't want to do this because you end up with ~ 20 feet of 0/2 awg wire running all over, plus they didn't want the switch most of the time.
I'm wondering why you couldn't just use a relay then to operate the kill switch, or even better, two relays so that you can include the key as a cut-off as well. The smaller wiring would allow for a mounting bracket to be used for the rear switch. You could even wire it to be a removable option.
Here's the rule: (copy pasted from
here)
"8:4 MASTER CUTOFF
Mandatory when battery is relocated OR on any vehicle running 10.99 or quicker. An eectrical power cut-off switch (one only) must be installed on the rearmost part of each vehicle and be easily accessible from outside the car body. This cutoff switch must be connected to the positive side of the electrical system and must stop all electrical functions, including magneto ignition. The off position must be clearly indicated with the work "OFF." If the switch is "push/pull" type, "push" must be the action for shutting off the electrical system, "pull" to turn it on. Any rods of cables used to activate the switch must be minimum 1/8-inch diameter. Plastic or keyed switches are prohibited."
Mandatory when battery is relocated OR on any vehicle running 10.99 or quicker. An eectrical power cut-off switch (one only) must be installed on the rearmost part of each vehicle and be easily accessible from outside the car body. This cutoff switch must be connected to the positive side of the electrical system and must stop all electrical functions, including magneto ignition. The off position must be clearly indicated with the work "OFF." If the switch is "push/pull" type, "push" must be the action for shutting off the electrical system, "pull" to turn it on. Any rods of cables used to activate the switch must be minimum 1/8-inch diameter. Plastic or keyed switches are prohibited."

Any comments?
i think the reason they need a kill switch on the back of the car is becuase, if your car catches on fire or something like that. they can kill all power to your car without searching for your hidden battery.
i dont have a kill switch or a proper seal battery box. also i dont go to the track or drive it alot...
i dont have a kill switch or a proper seal battery box. also i dont go to the track or drive it alot...
Thread
Thread Starter
Forum
Replies
Last Post
The1Sun
1st Generation Specific (1979-1985)
7
Sep 18, 2015 07:13 PM



